Rumik

БРАВА - 189 3М, 010930 - #062156

Каталожен №: 062156

Код на производителя: 8699258203596

16.80 € / 32.86 лв.

БРАВА - 189 3М, 010930

Kale 189 3M е висококачествена допълнителна брава (резе), проектирана за монтаж върху дървени или метални врати.

Тя е идеално решение за повишаване на сигурността на дома или офиса, като се използва като втора, независима точка на заключване.

Изработена от здрава легирана стомана, тя предлага устойчивост и модерен дизайн с алуминиево покритие.

Специална функция: Проектирана за работа със стандартен европрофилен цилиндър (патрон), което позволява лесна смяна на ключовете при нужда.

Издръжливост: Използването на легирана стомана гарантира дълъг експлоатационен живот и защита срещу механични повреди.

Пълен комплект: В опаковката са включени всички необходими компоненти за монтаж – насрещник (планката за касата на вратата), декоративни розетки и монтажни винтове.

Модерен стил: Дизайнът е изчистен и подходящ за съвременни интериорни и екстериорни врати.

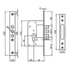
Размери на челната планка (лявата част на чертежа):
Обща височина: 190 мм, Ширина: 23 мм;

Разстояние между монтажните отвори: 
166 мм, Дебелина на планката: 3 мм;

Размери на корпуса (централната част на чертежа)
Височина на кутията: 110 мм, Дълбочина след челната планка до центъра на патрона: 40 или 45 мм;

Разстояние от патрона до задния край на корпуса: 26 мм;
Разстояние от долния ръб на кутията до центъра на патрона: 45 мм;
Размери на шиповете (заключващия механизъм);
Брой шипове: 3 броя с диаметър Ф12 мм
Обща височина на групата шипове: 50.5 мм;
Излизане на шиповете при заключване: 20 мм (2 превъртания по 10 мм)
Размери на насрещната планка (дясната част на чертежа): Обща височина: 155 мм, Ширина: 23 мм

Вид Брави
Височина 190 MM
Широчина 23 ММ